| 產品概述
TLK3AK07S 是電容式一體化指紋模組集成了強大的 TL192S 指紋芯片及高性能算法芯片。
TL192S 指紋芯片可以采出 256 灰度等級的高質量圖像;芯片有效像素是 192x192 像素,分辨率是 508 DPI; ESD 的防護高達 15KV。算法芯片是基于 ARM Cortex 系列內核的高性能算法芯片,具有豐富的外設接口及具有強大的算法功能,支持 DES、AES、RSA、ECC 及多種 HASH 算法。模組有觸控喚醒功能
指紋芯片與算法芯片是通過高速的 SPI 接口通信,產品與外部設備可以通過一個 6Pin 1.0mm間距臥式連接器連接,通信方式是 UART。TLK3AK07S 是深圳市迪安杰智能識別獨立研發的電容式指紋模組,模組軟件、硬件都具有完整自主知識產權。
| 應用領域
? 考勤管理
? 門禁管理
? 智能家居
? 安防領域
? 物聯網
| 技術參數?
??SYMBOL
|
??PARAMETER
|
??CONDITION
|
??MIN
|
??TYP
|
??MAX
|
??UNIT
|
??V DD
|
??工作電壓
|
|
??3.0
|
??3.3
|
??3.6
|
??V
|
??I LD?
|
??低功耗電流
|
??低功耗模式
|
??2
|
??3
|
??4
|
??uA
|
??I D
|
??工作電流?
|
??工作模式
|
??41
|
??45
|
??48
|
??mA
|
??V CC
|
??工作電壓
|
|
??3.0
|
??3.3
|
??3.6
|
??V
|
|
??工作溫度
|
|
??-20
|
|
??+60?
|
??°C
|
|
??存儲溫度
|
|
??-40
|
|
??+85
|
??°C
|
|
??相對濕度
|
??非凝露
|
??40%
|
|
??80%
|
??RH
|
|
??ESD
|
|
??接觸+/- 8KV,空氣+/-15KV
|
??KV
|
|
??像素分辨率?
|
|
??508
|
?DPI
|
|
??有效像素
|
|
??192 X 192
|
|
??拒真率
|
??安全等級為 3
|
??小于百分之一
|
|
??識假率
|
??安全等級為 3
|
??小于十萬分之一
|
|
??通信接口?
|
|
??UART(波特率 9600~115200,默認
??57600)
|
|
??指紋模板
|
|
??118
|
??PCS
|
|
??指紋圖像錄入時間
|
|
??<100
|
??ms
|
|
??開發包
|
|
??WINDOWS/LINUX/ANDROID 等平臺
|
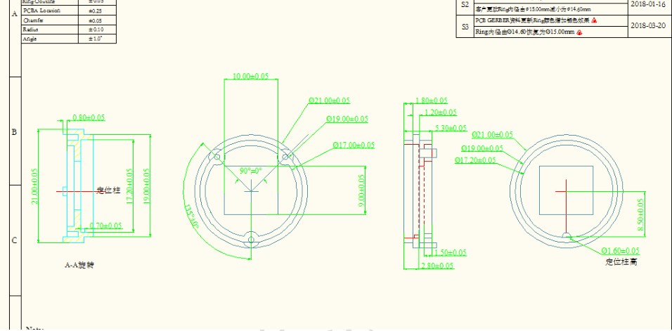
??L x W
??x T
|
??尺寸
|
??傳感器
|
??11 X 12.4 X 0.8?
|
??mm
|
??模組
|
??33.1 X 20.3 X 3.1
|
??mm
|
注 :
● VDD_CTRL、Vtouch 一定要單獨 LDO 供電,并能單獨實現斷電,由于電壓不穩定會造成指紋模組工作不正常,在電池低壓告警時,應關閉指紋模組使用功能,并通知用戶及時更換電池,避免與大功率器件(喇叭、蜂鳴器、LED、LCD、電磁鐵、電機等)共用電源,電源紋波應<50mV。
● 手指觸摸到 Bezel 后,TOUCH_OUT 腳輸出高電平信號。
| 功能電路
A.通信接口
SPI 接口是一種高速的、全雙工、同步的通信總線, TL192S 指紋傳感器與 MCU 之間是通過SPI 協議進行數據通信。
TLK3A 與外部設備是通過 UART 接口進行數據通信,波特率默認是 57600,留有 USB 調試接口。
B.串行協議
采用半雙工異步串行通訊。默認波特率為 57600bps,可通過命令設置為 9600~115200bps。
傳送的幀格式為 10 位,沒有起始位,8 位數據位(低位在前)和 2 位停止位,無校驗位。
C.上電時序
在與 PC 機 USB 通訊模式下,模塊上電或從低功耗模式進入正常模式,約需 300ms 時間進行初始化工作。在此期間,模塊不能響應上位機命令。
在 UART 通訊模式下,模塊上電或從低功耗模式進入正常模式,約需 50ms 時間進行初始化工作。在此期間,模塊不能響應上位機命令。
D.觸摸 喚醒設計及流程圖
該指紋模組可以通過觸摸喚醒控制 VDD_CTRL 電源工作與否來實現降低模組功耗,設計電路如下所示:
通過此電路控制 VDD_CTRL 電源的通斷時間可以實現低功耗,當 VDD_CTRL 電源被關斷,此時只有觸摸喚醒電路工作,功耗小于 3uA; 為了確保模組觸摸喚醒功能正常,需要在模組 VDD_CTRL關斷(進入低功耗)后對觸摸喚醒部分做復位操作
E.Bezel 設計
模組都設計有金屬環,金屬環連接到 sensor,在采圖時,sensor 會有 RING 信號輸出,手指按壓指紋傳感器時,需同時按壓到金屬環,否則無法采集指紋圖像。因此,在門鎖結構上,金屬環不能接地,目前普遍采用塑料外殼固定安裝指紋模組;在 VDD_CTRL 斷開時,Bezel 和觸摸芯片連接用于觸控喚醒功能
H.觸摸喚醒流程圖
| 連接器 Pin 定義
??PIN
|
??SIGNAL NAME
|
??DESCRIPTION
|
??1
|
??VTOUCH
|
??觸控模塊電源 3.3V
|
??2
|
??VTOUCH_OUT
|
??觸控信號輸出,檢測到手指輸出信號為 TTL 高電
??平,驅動電流能力小于 6mA
|
??3?
|
??VDD_CTRL?
|
??U主電源 ,額定電壓 3.3V
|
??4
|
??UART_TX
|
??UART 數據發送
|
??5
|
??UART_RX?
|
??UART 數據接收
|
??6
|
??GND
|
? 電源地
|
|?ESD
本產品都符合 IEC61000-4-2 標準,都能通過空氣+/-15KV,接觸+/-8KV 的靜電測試,為了滿足客戶更多使用場景,增強產品對靜電的的抗干擾能力,客戶可以在上位機連接器端做以下優化方案:在電源上串上 100uH 的電感,信號線上串上 100Ω的電阻,接口部分加上 TVS;軟件優化可以加硬件看門狗或者軟件看門狗,通過這兩種措施有效的提高模組抗靜電能力。
|?通訊協議
請參考《迪安杰智能識別科技指紋模組通訊協議》
|?結構尺寸